Taarifa ya faragha: Usiri wako ni muhimu sana kwetu. Kampuni yetu inaahidi kutofafanua habari yako ya kibinafsi kwa expany yoyote na ruhusa zako wazi.
Jamii za Bidhaa
Tuma Uchunguzi
Aina ya malipo: L/C,T/T,D/P,D/A,Paypal
Usafiri: Ocean,Land,Air,Express,Others
Mfano wa Mfano.: P40 Hydraulic Mobile Control Valve
Brand: Haohong
Origin: Mji wa Huaian, Uchina
Vyeti: Ce certificate
Warranty Period: 1 Year
Out-of-warranty Service: Video Technical Support, Online Support, Field Maintenance And Repair Service, Spare Parts
Where To Provide Local Services (in Which Countries Are There Overseas Service Outlets): Other
Showroom Location (in Which Countries Are There Sample Rooms Overseas): None
Place Of Origin: China
Service System: Field Installation, Commissioning And Training, Online Support, Video Technical Support, Field Maintenance And Repair Service, Free Spare Parts, Other
Valve Type: Flow Control Valve
Maximum Temperature: -20 to +80 Degree C
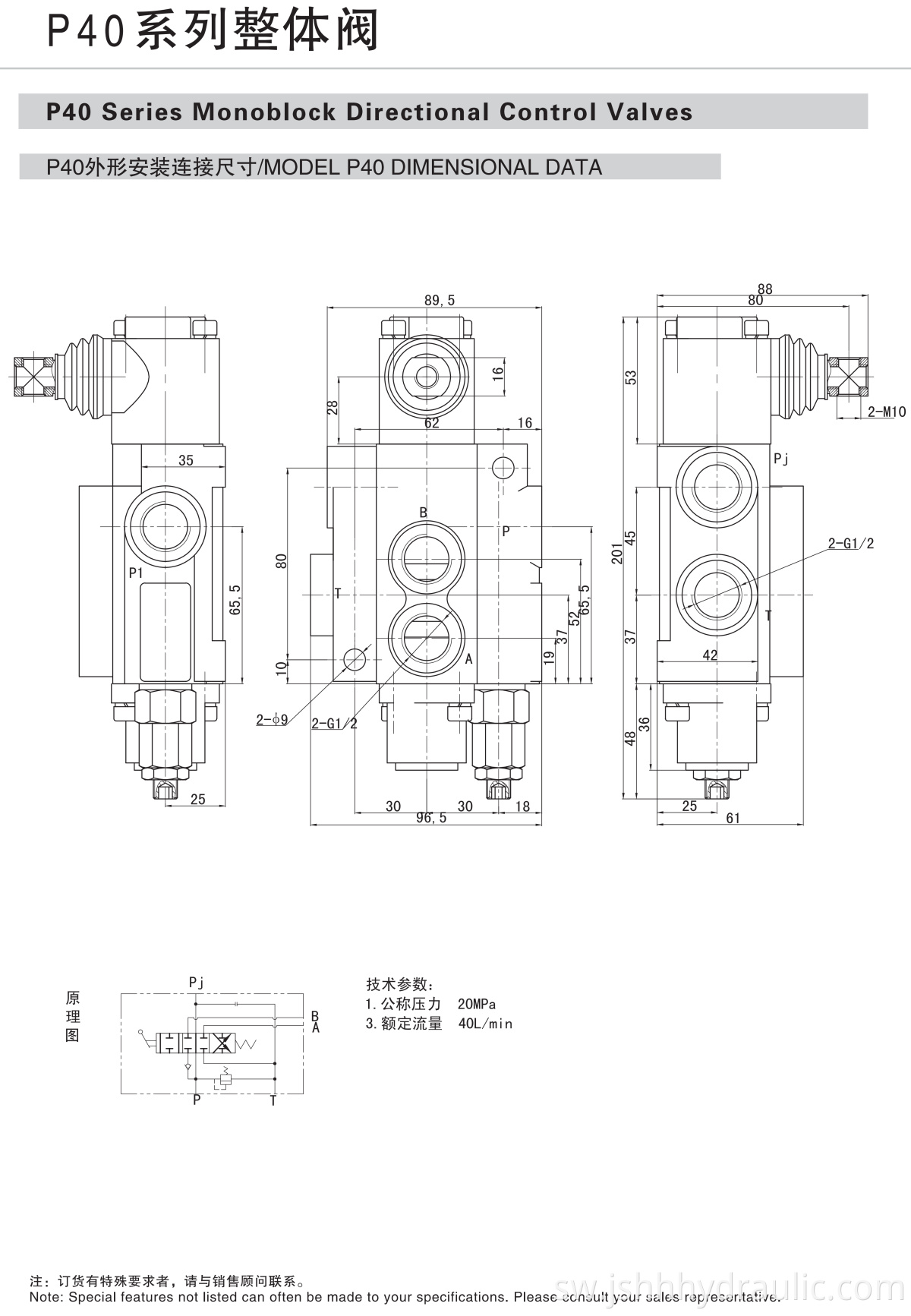
Rated Flow: 40 LPM
Control Pressure: 50-250 bar
Degree Of Filtration: 25 um
Material: Vermicular graphite cast iron
Package Size: 32*26*15cm
Maombi: Agriculture, horticulture, forestry, construction and industry
Mfululizo wa udhibiti wa monoblock wa p40 ni sehemu inayofaa na ya kuaminika ya kudhibiti majimaji inayotumika sana katika uwanja kama mashine za uhandisi, mashine za kilimo, meli, na vifaa vya mafuta. Haohong Hydraulic pia ina valve ya kukabiliana na valves za misaada ya shinikizo. 
Mfululizo huu wa bidhaa una sifa zifuatazo:
1. Uwezo wa kueneza: Mfululizo wa njia nyingi za mwelekeo wa njia nyingi zinaweza kufikia kazi mbali mbali za udhibiti wa majimaji, kama vile udhibiti wa mwelekeo, shunt, ushirika, udhibiti wa shinikizo, nk Inaweza kukidhi mahitaji ya hali tofauti za kazi na kuboresha kubadilika na kubadilika kwa mfumo .Kwa muhtasari, safu ya mwelekeo wa mwelekeo wa P40 ni muundo wa juu, mzuri, kuokoa nishati, salama na ya kuaminika ya udhibiti wa majimaji ambayo inaweza kukidhi mahitaji ya hali tofauti za kazi na kuboresha ufanisi na kuegemea kwa mfumo.


Ufungaji: Imewekwa na sanduku 5 la kahawia
Uzalishaji: 10000 sets/month
Usafiri: Ocean,Land,Air,Express,Others
Mahali ya Mwanzo: Mji wa Huaian, Uchina
Uwezo wa Ugavi: 10000 sets/month
Cheti: Ce certificate
Msimbo wa HS: 8481201090
Bandari: SHANGHAI
Aina ya malipo: L/C,T/T,D/P,D/A,Paypal
Incoterm: FOB,CFR,CIF,EXW
GET IN TOUCH
If you have any questions our products or services,feel free to reach out to us.Provide unique experiences for everyone involved with a brand.we’ve got preferential price and best-quality products for you.
Taarifa ya faragha: Usiri wako ni muhimu sana kwetu. Kampuni yetu inaahidi kutofafanua habari yako ya kibinafsi kwa expany yoyote na ruhusa zako wazi.
Jaza habari zaidi ili iweze kuwasiliana na wewe haraka
Taarifa ya faragha: Usiri wako ni muhimu sana kwetu. Kampuni yetu inaahidi kutofafanua habari yako ya kibinafsi kwa expany yoyote na ruhusa zako wazi.