Taarifa ya faragha: Usiri wako ni muhimu sana kwetu. Kampuni yetu inaahidi kutofafanua habari yako ya kibinafsi kwa expany yoyote na ruhusa zako wazi.
Jamii za Bidhaa
Tuma Uchunguzi
Aina ya malipo: L/C,T/T,D/P,D/A,Paypal
Usafiri: Ocean,Land,Air,Express
| option | |
| Wasiliana Sasa |
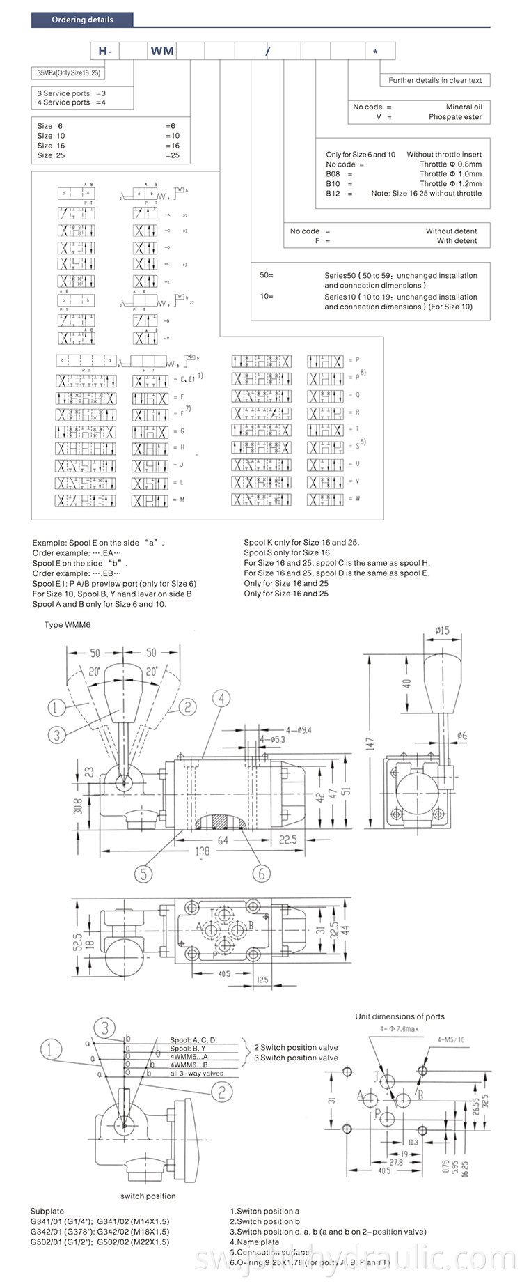
Mfano wa Mfano.: 4WMM10 Hydraulic Manual Directional Spool Control Valve
Brand: Haohong
Origin: Mji wa Huaian, Uchina
Vyeti: Ce certificate
Warranty Period: 1 Year
Out-of-warranty Service: Spare Parts, Online Support, Field Maintenance And Repair Service, Video Technical Support
Where To Provide Local Services (in Which Countries Are There Overseas Service Outlets): Other
Showroom Location (in Which Countries Are There Sample Rooms Overseas): Other
Place Of Origin: China
Service System: Online Support, Video Technical Support, Free Spare Parts, Field Installation, Commissioning And Training, Field Maintenance And Repair Service, Other
Valve Type: Other
Max. Flow Rate: 120L/min
Weight: 3.8Kg
Type: Directly Operated Type
Max Pressure: 315bar
4WMM10 HYDRAULIC Mwongozo wa Miongozo ya Udhibiti wa Spool
Valves za mwelekeo wa 4WMM10 mfululizo zinaendeshwa na mkono wa mfanyikazi moja kwa moja, ili kubadilisha msimamo wa spool ya mwelekeo. Wakati spool kwenye nafasi ya katikati, kwa aina ya E kama mfano, bandari za mafuta za P, A, B, T zimefungwa. Spool ya valve inasonga mbele ikiwa mkono lever unavuta mbele, bandari ya mafuta ya kuingiza P inaunganisha kwa B, na bandari ya T inaunganisha kwenye bandari ipasavyo katika nyumba ya valve. Ikiwa kuvuta lever ya mkono mwisho wa nyuma, bandari ya mafuta ya kuingiza P inaunganisha kwa A, na bandari ya T inaunganisha kwa B bandari ipasavyo katika nyumba ya valve, ikifikia usindikaji wa mwelekeo, ambao hutumiwa kudhibiti mstari wa mafuta juu au mbali, njia ya mwelekeo wa mafuta au kupunguza shinikizo. Njia ya kusanikisha ni kwa subplate.

4WMM10 mwongozo wa mwelekeo wa mwelekeo tu una njia moja ya kudhibiti mwelekeo, lakini solenoid & valves za mwelekeo wa mwongozo kama safu ya 4WMME ambayo ina njia mbili za kudhibiti mwelekeo.Huo tu na Electromagnet pia inaweza kudhibitiwa na kushughulikia.4wmm6 ... 6x. ... Aina ya mwongozo wa mwelekeo wa mwongozo ni moja kwa moja valves za spool ambazo hubadilisha mtiririko wa mtiririko kwa kuzungusha kushughulikia ili kusonga spool axally.

Ufungaji: Imewekwa na sanduku 5 la kahawia
Uzalishaji: 10000 sets/month
Usafiri: Ocean,Land,Air,Express
Mahali ya Mwanzo: Mji wa Huaian, Uchina
Uwezo wa Ugavi: 10000 sets/month
Cheti: Ce certificate
Msimbo wa HS: 8481201090
Aina ya malipo: L/C,T/T,D/P,D/A,Paypal
Incoterm: FOB,CFR,CIF,EXW
GET IN TOUCH
If you have any questions our products or services,feel free to reach out to us.Provide unique experiences for everyone involved with a brand.we’ve got preferential price and best-quality products for you.
Taarifa ya faragha: Usiri wako ni muhimu sana kwetu. Kampuni yetu inaahidi kutofafanua habari yako ya kibinafsi kwa expany yoyote na ruhusa zako wazi.
Jaza habari zaidi ili iweze kuwasiliana na wewe haraka
Taarifa ya faragha: Usiri wako ni muhimu sana kwetu. Kampuni yetu inaahidi kutofafanua habari yako ya kibinafsi kwa expany yoyote na ruhusa zako wazi.